三大優勢
價格合理、質量穩定、交貨快捷
專業服務
提供全套工程閥門解決方案,閥門售前、售中、售后專業服務
銷售熱線:021-56622563 56084471
圖文傳真: 021-56084473

一、產品[法蘭連接三通球閥]的詳細資料:
產品型號:Q41/11F
產品名稱:法蘭連接三通球閥
產品特點:法蘭連接三通球閥,連接三通球閥,法蘭三通球閥產品特點一、兩閥座密封三通球閥結構緊湊、外型美觀、密封性能好。也能實現管道中介流向的切換。也能使阻互垂直的兩個通道連通或關閉。二、四閥座密封三通球閥造型美觀,結構緊湊合理,它不僅可實現介質流向的切換,也可使三個通道相互連通,同時也可關閉任一通道,使另外一通道連通,靈活控制管路中介質的合流或分流。
二、主要零件材料:
零件名稱 |
材質 | |
GB |
ASTM | |
閥體、閥蓋 |
WCB |
A216-WCB |
密封圈 |
PTFE、對位聚苯 |
PTFE、對位聚苯 |
球體 |
1Cr18Ni9Ti |
SS304 |
閥座、閥桿 |
2Cr13 |
A246-416 |
雙頭螺栓 |
35CrMoA |
A193-B7 |
備注:三通球閥一般采用兩閥座結構,如流向圖A所示兩種工況。選用兩面閥座L型結構(即Q44型)。流向B中①和④兩種工況亦可選用兩閥座T型結構(即Q45型)。流向圖B②和③兩種工況必須選用四閥認T型結構(即Q45型)。其余工況也可以先用四閥座結構,但在訂貨合同中注明閥座結構。如閥門有其它要求請參閱樣本《閥門的型號編制方法》填寰相應的要求代號。
三、主要性能范圍:
公稱壓力 |
試驗壓力(MPa) | |||
殼體 |
高壓液密封 |
體壓氣密封 | ||
1.6 |
2.4 |
1.76 |
0.6 | |
2.5 |
3.75 |
2.75 | ||
4.0 |
6.0 |
4.4 | ||
CLASS150 |
3.0 |
2.2 | ||
適用工況 |
適用介質 |
水、油品、氣等非腐蝕和酸堿腐蝕介質 | ||
適用溫度 |
-28~350℃ | |||
應用規范 |
連接法蘭 |
JB79-59、GB9113、HG20592-97、ANSI B16.5 | ||
檢驗試驗 |
GB/T9092-99、API598 |
其余制造規范均按本廠標準;
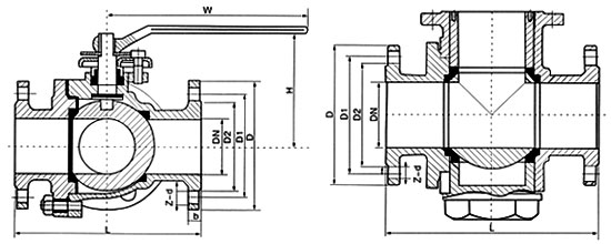
四、法蘭連接三通球閥國標連接尺寸和外形 PN1.6MPa :
型號 |
公稱通徑DN(mm) |
尺寸(mm) | |||||||||
L |
L2 |
D |
D1 |
D2 |
b |
f |
Z-d |
H |
W | ||
Q44F-16C |
15 |
150 |
72 |
95 |
65 |
45 |
14 |
2 |
4-14 |
95 |
130 |
20 |
160 |
80 |
105 |
75 |
55 |
14 |
2 |
4-14 |
110 |
130 | |
25 |
180 |
90 |
115 |
85 |
65 |
14 |
2 |
4-18 |
120 |
140 | |
32 |
200 |
100 |
135 |
100 |
78 |
16 |
2 |
4-18 |
144 |
180 | |
40 |
220 |
110 |
145 |
110 |
85 |
16 |
3 |
4-18 |
152 |
220 | |
50 |
240 |
120 |
160 |
125 |
100 |
16 |
3 |
4-23 |
182 |
220 | |
65 |
260 |
130 |
180 |
145 |
120 |
16 |
3 |
4-18 |
193 |
240 | |
80 |
280 |
140 |
195 |
160 |
135 |
20 |
3 |
8-18 |
217 |
270 | |
100 |
320 |
160 |
215 |
180 |
155 |
20 |
3 |
8-18 |
245 |
350 | |
125 |
380 |
190 |
245 |
210 |
185 |
22 |
3 |
8-18 |
282 |
500 | |
150 |
440 |
220 |
280 |
240 |
210 |
24 |
3 |
8-23 |
319 |
600 | |
200 |
550 |
260 |
335 |
295 |
265 |
26 |
3 |
12-23 |
380 |
1000 | |
250 |
670 |
310 |
405 |
355 |
320 |
30 |
3 |
12-25 |
460 |
1400 | |
300 |
720 |
370 |
460 |
410 |
375 |
30 |
3 |
12-25 |
520 |
1800 |
五、法蘭連接三通球閥美標連接尺寸和外形 150Lb :
公稱通徑DN |
尺寸(mm) | |||||||||
(in) |
(mm) |
L |
D |
D1 |
D2 |
b |
f |
Z-Φd |
H |
L0 |
1/2 |
15 |
140 |
89 |
60.5 |
35 |
10 |
1.6 |
4-Φ15 |
55 |
130 |
3/4 |
20 |
165 |
98 |
70 |
43 |
11 |
1.6 |
4-Φ15 |
55 |
130 |
1 |
25 |
165 |
108 |
79.5 |
51 |
12 |
1.6 |
4-Φ15 |
70 |
140 |
11/4 |
32 |
220 |
117 |
79 |
64 |
13 |
1.6 |
4-Φ15 |
75 |
180 |
11/2 |
40 |
250 |
127 |
98.5 |
73 |
15 |
1.6 |
4-Φ15 |
90 |
220 |
21/2 |
50 |
260 |
152 |
120.5 |
92 |
16 |
1.6 |
4-Φ19 |
104 |
260 |
2 |
65 |
320 |
178 |
139.5 |
105 |
18 |
1.6 |
4-Φ19 |
153 |
350 |
3 |
80 |
320 |
190 |
152.5 |
127 |
19 |
1.6 |
4-Φ19 |
187 |
400 |
4 |
100 |
370 |
229 |
190.5 |
157 |
24 |
1.6 |
8-Φ19 |
206 |
500 |
5 |
125 |
510 |
254 |
216 |
186 |
24 |
1.6 |
8-Φ22 |
252 |
600 |
6 |
150 |
510 |
279 |
241.5 |
216 |
26 |
1.6 |
8-Φ22 |
244 |
1000 |
8 |
200 |
580 |
373 |
298.5 |
270 |
29 |
1.6 |
8-Φ22 |
283 |
1300 |
10 |
250 |
670 |
406 |
362 |
324 |
31 |
1.6 |
12-Φ25 |
345 |
1600 |
12 |
300 |
720 |
483 |
432 |
381 |
32 |
1.6 |
12-Φ25 |
420 |
2100 |
訂貨須知:
一、①法蘭連接三通球閥產品名稱與型號②法蘭連接三通球閥口徑③法蘭連接三通球閥是否帶附件以便我們的為您正確選型。
二、若已經由設計單位選定公司的法蘭連接三通球閥型號,請按法蘭連接三通球閥型號直接向我司銷售部訂購。
三、當使用的場合非常重要或環境比較復雜時,請您盡量提供設計圖紙和詳細參數,由我們的專家為您審核把關。
感謝您訪問我們的網站,如有任何疑問.您可以致電給我們,我們一定會盡心盡力為您提供優質的服務。